Cóc kẹp ray cẩu trục chính hãng – Chịu tải cao, an toàn tuyệt đối
1. Cóc kẹp ray cẩu trục là gì?
Cóc kẹp ray là phụ kiện ray cẩu trục chuyên dụng, dùng để cố định ray cầu trục lên dầm thép hoặc kết cấu bê tông trong các hệ thống cẩu trục và pa lăng công nghiệp và cầu trục cảng biển. Sản phẩm giúp kẹp cố định ray cẩu đúng vị trí, chịu tải trọng lớn và hạn chế rung động trong quá trình vận hành.
Với kết cấu chắc chắn và độ chính xác cao, kẹp ray cẩu trục đảm bảo hệ thống nâng hạ hoạt động ổn định, an toàn và bền bỉ theo thời gian, đồng thời giảm chi phí bảo trì và sửa chữa dài hạn.
Cóc ray công nghiệp dạng hàn đế được thiết kế để sử dụng cho cả ray có pad cao su và ray không pad, giúp duy trì độ ổn định và độ chính xác khi cầu trục làm việc.
Cấu trúc kẹp cho phép phân bố lực đều lên chân ray, giảm rung và hạn chế mài mòn, phù hợp cho các ứng dụng kẹp ray chịu tải lớn trong môi trường công nghiệp nặng.
1.1 Cấu tạo của cóc ray gantrail 9120/15/38
Bao gồm các thành phần chính:
-
Đai ốc bích (Flange nut)
Phân bố lực siết đều, hạn chế tự tháo lỏng khi chịu rung động.
-
Nắp kẹp tích hợp pad cao su
Giảm chấn, giảm rung và bảo vệ chân ray khỏi mài mòn.
-
Bu lông chủ động M20
Cho phép điều chỉnh lực kẹp chính xác, đảm bảo độ ổn định lâu dài.
-
Đế hàn cố định
Hàn trực tiếp vào dầm thép hoặc kết cấu đỡ ray, tạo liên kết vững chắc.
1.2 Kích thước cóc kẹp ray gantrail 9120/15/38
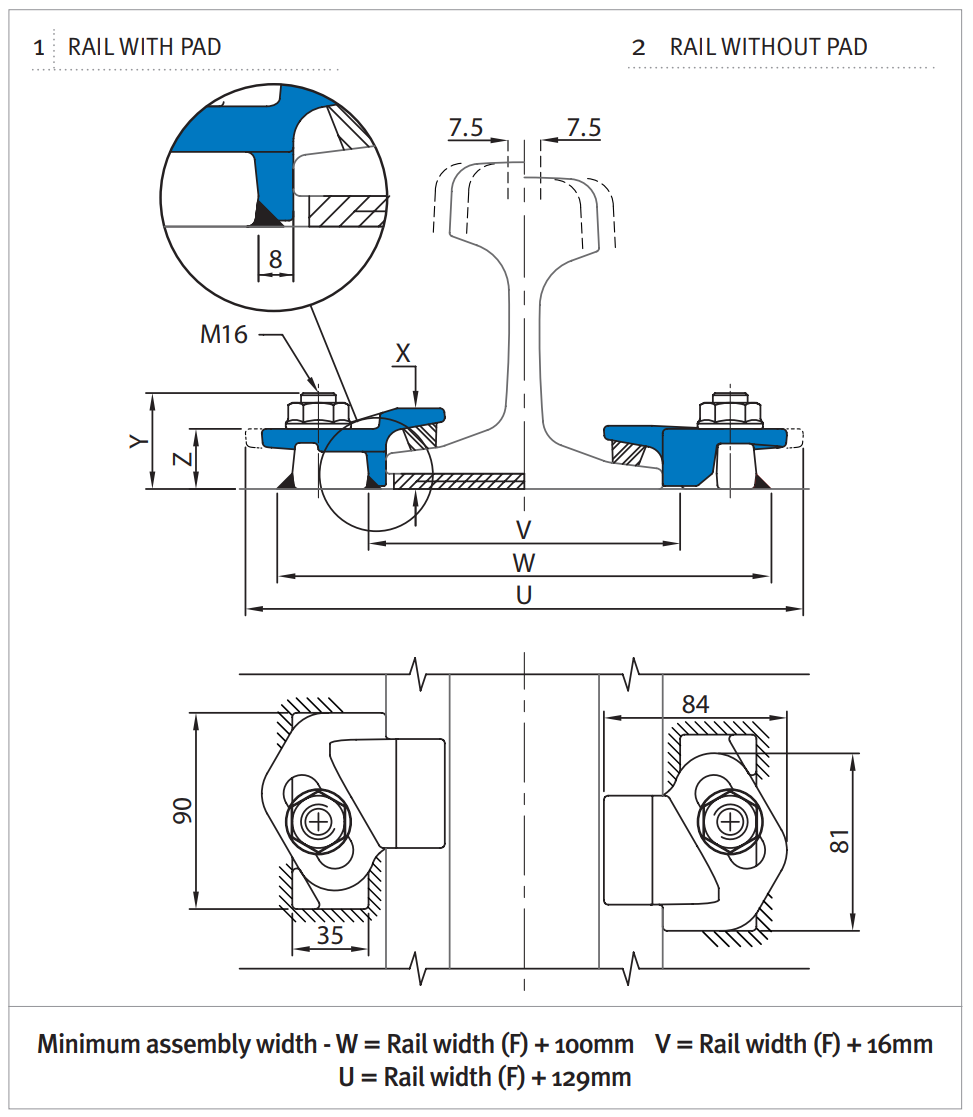
2. Cóc kẹp ray cẩu trục có những loại nào?
| CLIP REFERENCE FOR RAIL WITH PAD |
CLIP REFERENCE FOR RAIL WITHOUT PAD |
Type of Rails | F (mm) | C (mm) | A (mm) |
| Cóc Ray 9120/15/38 | 9120/15/38 | A100 | 200 | 100 | 95 |
| Cóc Ray 9120/15/38 | 9120/15/38 | A120 | 220 | 120 | 105 |
| Cóc Ray 9120/15/38 | 9120/15/38 | A150 | 220 | 150 | 150 |
| Cóc Ray 9120/15/38 | – | S41 | 125 | 67 | 138 |
| Cóc Ray 9120/15/38 | – | S49 | 125 | 67 | 149 |
| Cóc Ray 9120/15/38 | 9120/15/38 | 89 kg CR | 178 | 102 | 114 |
| Cóc Ray 9120/15/38 | 9120/15/38 | MRS 67( 135CR) | 132 | 79 | 146 |
| Cóc Ray 9120/15/38 | 9120/15/38 | MRS 85 (171 CR) | 152 | 103 | 152 |
| Cóc Ray 9120/15/38 | 9120/15/38 | MRS 86 | 165 | 102 | 102 |
| Cóc Ray 9120/15/38 | 9120/15/38 | MRS 87A (PRI85R) | 152 | 102 | 152 |
| Cóc Ray 9120/15/38 | 9120/15/38 | MRS 87 B (175 CR) | 152 | 102 | 152 |
| Cóc Ray 9120/15/47 | 9120/15/38 | MRS 125 | 180 | 120 | 180 |
| Cóc Ray 9120/15/38 | – | GCR 108 | 263 | 61+61 | 100 |
| Cóc Ray 9120/15/38 | 9120/15/38 | GCR 183 | 280 | 75 | 120 |
| Cóc Ray 9120/15/38 | 9120/15/38 | ISCR 100 | 150 | 102 | 150 |
| Cóc Ray 9120/15/38 | 9120/15/38 | ISCR 120 | 170 | 120 | 170 |
| Cóc Ray 9120/15/38 | 9120/15/38 | QU 100 | 150 | 100 | 150 |
| Cóc Ray 9120/15/38 | 9120/15/38 | QU 120 | 170 | 120 | 170 |
| Cóc Ray 9120/15/38 | 9120/15/38 | JIS 50 | 127 | 63 | 145 |
| Cóc Ray 9120/15/38 | 9120/15/38 | JIS 60 | 145 | 64 | 174 |
| Cóc Ray 9120/15/38 | 9120/15/38 | CR 73 | 140 | 100 | 135 |
| Cóc Ray 9120/15/41 | 9120/15/38 | CR 100 | 155 | 120 | 150 |
| Cóc Ray 9120/15/38 | 9120/15/38 | 68 kg AS | 152 | 73 | 186 |
| Cóc Ray 9120/15/38 | 9120/15/38 | 86 kg AS | 165 | 102 | 102 |
| Cóc Ray 9120/15/38 | 9120/15/38 | UIC 54 E | 125 | 66 | 161 |
3. Các thương hiệu kẹp ray uy tín trên thị trường
Trên thị trường cẩu trục và thiết bị nâng hạ công nghiệp, cóc kẹp ray được sản xuất và cung cấp bởi nhiều thương hiệu uy tín trên thế giới, đáp ứng các tiêu chuẩn kỹ thuật khắt khe về độ bền, khả năng chịu tải và an toàn vận hành.
Một số hãng sản xuất nổi tiếng có thể kể đến như: Cóc kẹp ray Gantrex (Pháp)
- Cóc kẹp ray Gantrex (Pháp) – thương hiệu hàng đầu thế giới về hệ thống ray cẩu trục, kẹp ray và giải pháp lắp đặt ray cho cảng biển và công nghiệp nặng.
- Cóc kẹp ray Vossloh / Schwihag (Đức) – chuyên cung cấp kẹp ray chất lượng cao cho cẩu trục, đường ray công nghiệp và các hệ thống chịu tải lớn.
- Cóc kẹp ray Gantrail / Pandrol – nổi tiếng với các giải pháp kẹp ray và phụ kiện ray đạt tiêu chuẩn quốc tế.
- Cóc kẹp ray Ansteel, Baosteel (Trung Quốc) – cung cấp cóc kẹp ray và phụ kiện cẩu trục với dải sản phẩm đa dạng, phù hợp cho nhiều phân khúc công nghiệp.
- Các hãng OEM theo tiêu chuẩn DIN, JIS – được sử dụng rộng rãi trong các nhà máy thép, xi măng, logistics và khu công nghiệp.
Việc lựa chọn cóc kẹp ray cẩu trục từ các thương hiệu uy tín giúp đảm bảo độ chính xác lắp đặt, khả năng chịu tải ổn định và tuổi thọ lâu dài cho toàn bộ hệ thống cẩu trục
4. Vì sao nên chọn phụ kiện kẹp ray tại Vũ Phan?
Vũ Phan là đơn vị chuyên cung cấp cóc kẹp ray và thép ray công nghiệp tại Việt Nam, tập trung vào đúng model – đúng kỹ thuật – đúng tải trọng cho từng ứng dụng thực tế.
Chúng tôi không chỉ bán sản phẩm, mà đồng hành cùng khách hàng trong suốt quá trình lựa chọn – thiết kế – lắp đặt – vận hành hệ thống ray cầu trục.
Cam kết của Vũ Phan:
-
Cung cấp cóc kẹp ray đúng tiêu chuẩn kỹ thuật (DIN, JIS, ISO), phù hợp từng loại ray và kết cấu dầm.
-
Sản phẩm chất lượng ổn định, khả năng chịu tải cao, đảm bảo an toàn vận hành lâu dài.
-
Tư vấn kỹ thuật chuyên sâu: chọn đúng loại kẹp ray theo tải trọng cầu trục, bước ray, điều kiện nền móng.
-
Hỗ trợ bản vẽ kỹ thuật, thông số lắp đặt, giúp thi công nhanh và chính xác.
-
Nguồn hàng rõ ràng, giá cạnh tranh, phù hợp cho nhà máy thép, xi măng, logistics, khu công nghiệp.
Lựa chọn phụ kiện kẹp ray tại Vũ Phan là giải pháp giúp hệ thống cầu trục vận hành ổn định – an toàn – bền bỉ, đồng thời tối ưu chi phí đầu tư và bảo trì dài hạn.
English


Reviews
There are no reviews yet.